Sebagai produk perwakilan Pembangkit Listrik Kabel Yueqing Tongda yang mewujudkan integrasi standarisasi dan penyesuaian inti, saklar Saklar Mikro Pemanas Air Gas dan Kompor Gas dirancang dengan prinsip inti "stabilitas, keandalan, dan kompatibilitas pemandangan". Ini menggabungkan keahlian manufaktur saklar selama 35 tahun, mencapai berbagai optimalisasi dalam kinerja listrik, tingkat perlindungan, dan pengalaman pengguna. Sakelar ini dapat diterapkan secara luas pada berbagai skenario seperti distribusi daya rumah pintar, peralatan tambahan industri, dan instrumen medis kecil, menjadikannya komponen kontrol sirkuit pilihan yang menyeimbangkan universalitas dengan potensi penyesuaian.
Sakelar MikroPerkenalan
Sakelar HK-04G-L berfokus pada persyaratan praktis untuk parameter utama, memenuhi standar kontrol dasar untuk berbagai skenario. Kontak terbuat dari paduan perak-timah dan diproses dengan pengelasan presisi, dengan resistansi kontak awal ≤8mΩ. Ini dapat dengan andal membawa arus AC 10A-16A (tegangan pengenal 250V AC), cocok untuk kebutuhan daya sebagian besar perangkat rumah tangga dan industri kecil, secara efektif mencegah masalah panas berlebih atau erosi kontak yang disebabkan oleh beban berlebih saat ini.
Kinerja pemicu dan masa pakainya sama-sama dapat diandalkan: ia menggunakan struktur pemicu tipe rocker, dengan perjalanan tekanan 1,3-1,6 mm dan gaya pengoperasian dikontrol dalam 1,5-3N. Umpan balik aktivasi jelas dan lancar, membuat penggunaan sehari-hari tidak mungkin mengalami "penekanan tidak responsif". Masa pakai mekanis mencapai 80.000 siklus pengepresan, dan masa pakai listrik melebihi 50.000 siklus. Pada perangkat yang digunakan dengan frekuensi tinggi seperti lemari es, kipas angin kecil, dan printer komersial, dapat mencapai pengoperasian yang stabil selama 3-5 tahun.
Kemampuan beradaptasi lingkungan memenuhi persyaratan skenario konvensional: Produk beroperasi dalam kisaran suhu -30°C hingga 80°C, mampu menangani suhu rendah di musim dingin di utara dan kondisi pembuangan panas di musim panas; resistansi isolasi ≥50MΩ (500VDC), dan tegangan terminal tahan mencapai 800V AC, memenuhi standar keselamatan listrik untuk penggunaan rumah tangga dan komersial. Selain itu, casingnya terbuat dari bahan ABS tahan api (sesuai dengan UL94 V-1), mengurangi risiko keselamatan yang disebabkan oleh korsleting.
Sakelar MikroAplikasi
Dalam skenario rumah pintar dan rumah tangga, HK-04G-L, dengan ukurannya yang ringkas (kira-kira 20×15×10mm, P×L×T), dapat dengan mudah diintegrasikan ke dalam kotak distribusi pintar, soket yang dipasang di dinding, dan panel kontrol peralatan kecil. Saat ini telah menjadi komponen yang digunakan oleh beberapa merek rumah pintar dalam negeri untuk fungsi seperti kontrol pencahayaan dan peralihan daya peralatan. Salah satu merek melaporkan bahwa tingkat kegagalan produk yang dilengkapi dengan saklar tersebut 40% lebih rendah dibandingkan saklar tradisional.
Dalam skenario industri dan komersial skala kecil, produk ini cocok untuk kontrol daya peralatan konveyor kecil, mesin kopi komersial, printer kantor, dan perangkat lainnya. Dengan mengoptimalkan struktur koneksi terminal, ini mendukung pemasangan kabel yang cepat, meningkatkan efisiensi perakitan perangkat. Sebelumnya, versi khusus untuk produsen peralatan komersial, melalui penyesuaian jarak terminal, memenuhi persyaratan perkabelan internal yang ringkas pada peralatan mereka, sehingga meningkatkan efisiensi pemasangan sebesar 25%.
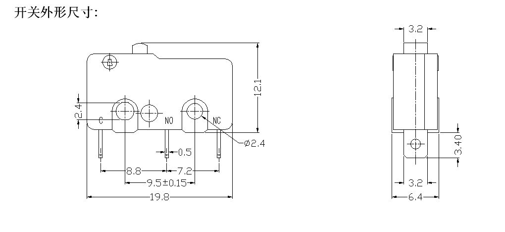
Sakelar Mikro Spesifikasi
| Beralih Karakteristik Teknis: | |||
| BARANG | Parameter Teknis | Nilai | |
| 1 | Peringkat Listrik | 5(2)A 125V/250VAC 10(3)125V/250VAC | |
| 2 | Hubungi Resistensi | ≤50mΩ Nilai awal | |
| 3 | Resistensi Isolasi | ≥100MΩ (500VDC) | |
| 4 |
Dielektrik Voltase |
Di antara terminal yang tidak terhubung |
500V/0,5mA/60S |
| Antar terminal dan bingkai logam |
1500V/0,5mA/60S | ||
| 5 | Kehidupan Listrik | ≥10.000 siklus | |
| 6 | Kehidupan Mekanik | ≥100000 siklus | |
| 7 | Suhu Operasional | -25~125℃ | |
| 8 | Frekuensi Operasi | Listrik :15 siklus Mekanik :60 siklus |
|
| 9 | Bukti Getaran | Frekuensi Getaran :10~55HZ; Amplitudo :1.5mm; Tiga arah: 1H |
|
| 10 | Kemampuan Menyolder: Lebih dari 80% bagian terendam harus ditutup dengan solder |
Suhu Penyolderan: 235±5℃ Waktu Perendaman :2~3S |
|
| 11 | Tahan Panas Solder | Penyolderan Celup :260±5℃ 5±1S Penyolderan Manual :300±5℃ 2~3S |
|
| 12 | Persetujuan Keamanan | UL, CSA, VDE, ENEC, CE | |
| 13 | Kondisi Tes | Suhu Sekitar :20±5℃ Kelembaban Relatif :65±5%RH Tekanan Udara : 86~106KPa |
|
Kawat Listrik Tongda Sakelar Daya Inline USB Mikro Detail

