Sebagai model patokan seri sakelar mikro Pabrik Listrik Kawat Tongda Yueqing, Sakelar Mikro Arus 16A 250V Suhu Tinggi HK-14 memiliki fitur "sensitivitas tinggi, masa pakai sangat panjang, dan kemampuan beradaptasi multi-skenario" sebagai keunggulan intinya. Mengintegrasikan keahlian perusahaan dalam bidang manufaktur saklar selama 35 tahun, saklar ini telah menjadi komponen kontrol utama dalam peralatan rumah tangga, elektronik otomotif, otomasi industri, dan bidang lainnya, berkat kesenjangan kontak yang minimal dan mekanisme tindakan yang cepat. Kinerja dan keandalannya telah disertifikasi oleh berbagai organisasi terkemuka di seluruh dunia, sehingga mengamankan posisi utamanya di ceruk pasar.
Pengenalan Sakelar Mikro
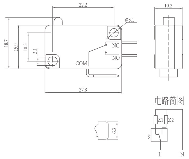
Seri HK-14 memberikan opsi penyesuaian yang sangat fleksibel untuk memenuhi persyaratan aplikasi yang berbeda. Gaya pengoperasian dapat disesuaikan (kurang dari 5,0N dalam keadaan tanpa tuas, biasanya 30±15gf), dengan rentang langkah pengoperasian 0,6 hingga 1,5 mm, mengakomodasi berbagai gaya pemicu dan skenario perpindahan. Model tuas dapat disesuaikan, termasuk tuas lurus, tuas bengkok, dan tuas rol, agar sesuai dengan berbagai struktur transmisi mekanis. Jenis kontak termasuk SPDT (1NO+1NC), NO, dan NC, yang mencakup seluruh rentang, untuk memenuhi persyaratan kontrol tunggal, interlock, dan kebutuhan desain sirkuit lainnya.
Pedoman Instalasi dan Penggunaan
Saat memasang, sakelar harus dipasang pada permukaan yang rata dan diikat dengan ring datar atau ring pegas untuk mencegah kegagalan fungsi atau kerusakan casing yang disebabkan oleh permukaan yang tidak rata. Pilih model berdasarkan lingkungan: untuk kondisi lembab atau berdebu, disarankan untuk menggunakan versi khusus yang disegel untuk meningkatkan perlindungan. Jangan mengoleskan oli pelumas ke tombol atau aktuator untuk mencegah kontak lengket, kegagalan fungsi, atau bahkan terbakar. Selama penyimpanan, simpan produk di tempat yang kering, berventilasi, terlindung dari hujan atau salju, dan hindari suhu dan kelembapan tinggi yang dapat menyebabkan penuaan komponen, untuk memastikan produk mempertahankan kinerja aslinya.
Parameter Sakelar Mikro (Spesifikasi)
| Beralih Karakteristik Teknis: | |||
| BARANG | Parameter Teknis | Nilai | |
| 1 | Peringkat Listrik | 5(2)A/10A/16(3)A/21(8)A 250VAC | |
| 2 | Hubungi Resistensi | ≤30mΩ Nilai awal | |
| 3 | Resistensi Isolasi | ≥100MΩ (500VDC) | |
| 4 |
Dielektrik Voltase |
Di antara terminal yang tidak terhubung |
1000V/0,5mA/60S |
|
Antar terminal dan bingkai logam |
3000V/0,5mA/60S | ||
| 5 | Kehidupan Listrik | ≥50000 siklus | |
| 6 | Kehidupan Mekanik | ≥1000000 siklus | |
| 7 | Suhu Operasional | -25~125℃ | |
| 8 | Frekuensi Operasi |
listrik :15 siklus Mekanik :60 siklus |
|
| 9 | Bukti Getaran |
Frekuensi Getaran: 10~55HZ; Amplitudo :1.5mm; Tiga arah: 1H |
|
| 10 |
Kemampuan Menyolder: Lebih dari 80% bagian terendam harus ditutup dengan solder |
Suhu Penyolderan :235±5℃ Waktu Perendaman :2~3S |
|
| 11 | Tahan Panas Solder |
Penyolderan Celup :260±5℃ 5±1S Penyolderan Manual: 300±5℃ 2~3S |
|
| 12 | Persetujuan Keamanan | UL, CSA, VDE, ENEC, TUV, CE, KC, CQC | |
| 13 | Kondisi Tes |
Suhu Sekitar :20±5℃ Kelembaban Relatif :65±5%RH Tekanan Udara :86~106KPa |
|
Fitur dan Aplikasi Micro Switch
Detail Sakelar Mikro
