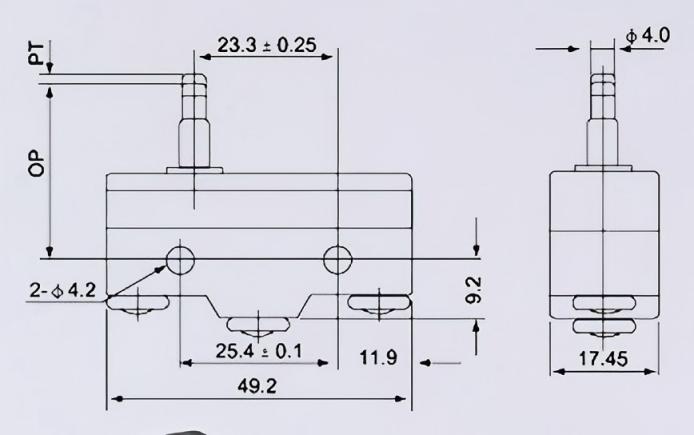
LS Sakelar Stroke Batas Berkualitas Tinggi adalah komponen kontrol otomatis yang dipicu oleh gerakan mekanis. Fungsi intinya adalah untuk mendeteksi perpindahan atau stroke objek untuk mencapai pembukaan dan penutupan sirkuit, start dan berhenti peralatan, atau membatasi perlindungan. Ini adalah 'sentinel keselamatan' dan 'komandan aksi' yang sangat diperlukan dalam otomatisasi industri dan peralatan elektromekanis.
Mengalihkan Perkenalanuction
Sakelar perjalanan (juga dikenal sebagai sakelar batas) adalah komponen kontrol otomatis yang dipicu oleh gerakan mekanis. Fungsi intinya adalah untuk mendeteksi perpindahan atau stroke objek untuk mencapai pembukaan dan penutupan sirkuit, start dan berhenti peralatan, atau membatasi perlindungan. Ini adalah 'sentinel keselamatan' dan 'komandan aksi' yang sangat diperlukan dalam otomatisasi industri dan peralatan elektromekanis.
Mengalihkan Application
Sistem Conveyor Belt: Sakelar batas dipasang di titik awal/akhir konveyor. Ketika benda kerja diangkut ke posisi yang ditentukan, sakelar dipicu untuk menjeda konveyor, berkoordinasi dengan lengan robot untuk melakukan tindakan menggenggam dan menyortir.
Jalur perakitan: Mereka digunakan untuk mendeteksi apakah benda kerja berada di posisi yang benar. Misalnya, pada jalur perakitan alat rumah, ketika shell luar bergerak ke stasiun pengencangan sekrup, sakelar memicu startup mesin pengencangan, memastikan koordinasi yang tepat antara langkah -langkah proses.
Mengalihkan Detail
