Sakelar Mikro Magnetik Plastik adalah perangkat sakelar yang mengontrol on-off suatu rangkaian melalui sinyal medan magnet. Fitur intinya adalah pengoperasian non-kontak, sehingga memiliki keunggulan berupa respons cepat, masa pakai lama, dan keandalan tinggi, serta banyak digunakan di bidang otomasi industri, keamanan, otomotif, dan rumah pintar.
Pengenalan Sakelar Mikro
Sakelar magnet adalah perangkat sakelar yang mengontrol on-off suatu rangkaian melalui sinyal medan magnet. Fitur intinya adalah pengoperasian non-kontak, sehingga memiliki keunggulan berupa respons cepat, masa pakai lama, dan keandalan tinggi, serta banyak digunakan di bidang otomasi industri, keamanan, otomotif, dan rumah pintar.
Parameter Sakelar Mikro (Spesifikasi)
| Beralih Karakteristik Teknis: | |||
| BARANG | Parameter Teknis | Nilai | |
| 1 | Peringkat Listrik | 5(2)A/10A/16(3)A/21(8)A 250VAC | |
| 2 | Hubungi Resistensi | ≤30mΩ Nilai awal | |
| 3 | Resistensi Isolasi | ≥100MΩ (500VDC) | |
| 4 |
Dielektrik Voltase |
Di antara terminal yang tidak terhubung |
1000V/0,5mA/60S |
|
Antar terminal dan bingkai logam |
3000V/0,5mA/60S | ||
| 5 | Kehidupan Listrik | ≥50000 siklus | |
| 6 | Kehidupan Mekanik | ≥1000000 siklus | |
| 7 | Suhu Operasional | -25~125℃ | |
| 8 | Frekuensi Operasi |
listrik :15 siklus Mekanik :60 siklus |
|
| 9 | Bukti Getaran |
Frekuensi Getaran: 10~55HZ; Amplitudo :1.5mm; Tiga arah: 1H |
|
| 10 |
Kemampuan Menyolder: Lebih dari 80% bagian terendam harus ditutup dengan solder |
Suhu Penyolderan :235±5℃ Waktu Perendaman :2~3S |
|
| 11 | Tahan Panas Solder |
Penyolderan Celup :260±5℃ 5±1S Penyolderan Manual: 300±5℃ 2~3S |
|
| 12 | Persetujuan Keamanan | UL, CSA, VDE, ENEC, TUV, CE, KC, CQC | |
| 13 | Kondisi Tes |
Suhu Sekitar :20±5℃ Kelembaban Relatif :65±5%RH Tekanan Udara :86~106KPa |
|
Fitur dan Aplikasi Micro Switch
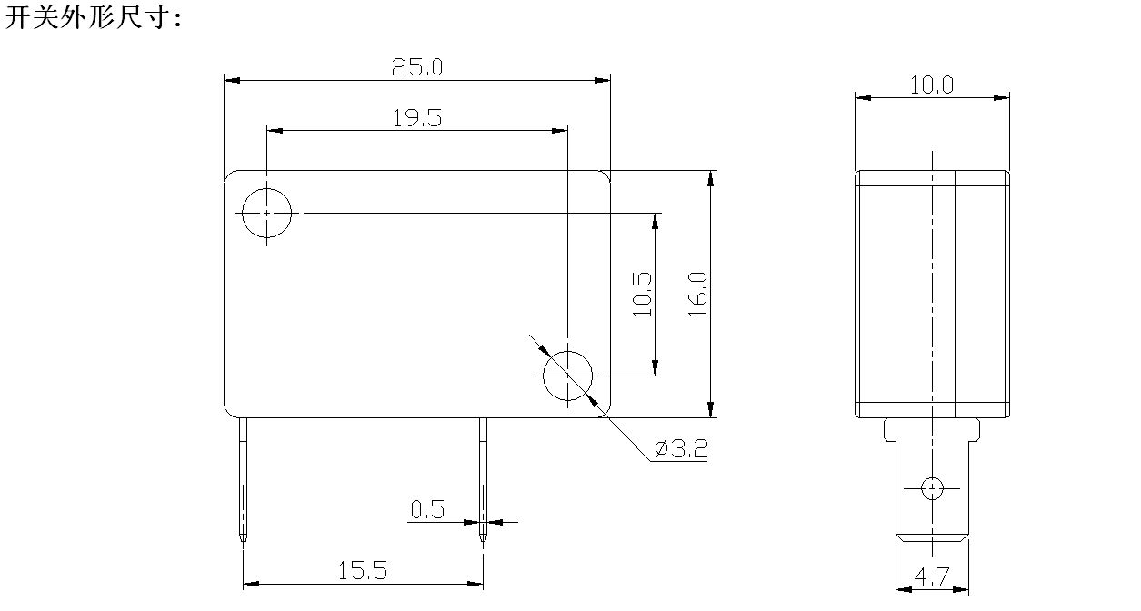
Detail Sakelar Mikro
