Tombol Kolom Plug Tombol Sakelar Mikro di Bagian Otomatis memiliki interval kontak kecil dan mekanisme aksi cepat, dan mekanisme kontak untuk switching action dengan stroke dan gaya yang ditentukan ditutupi oleh shell, dan ada transmisi di luar, dan bentuknya kecil.
Produk Perkenalanuction
Sakelar mikro push-to-push adalah komponen elektronik umum yang digunakan untuk mengontrol keadaan hidup dan mati sirkuit. Biasanya terdiri dari tombol dan sakelar yang mengubah status saat tombol ditekan.
Sakelar tombol tekan dapat menggunakan efek berkedip, ketika tombol ditekan, tombol akan berkedip untuk menarik perhatian pengguna.
Produk Application dan spesifikasi
Plug Colom Type Button Sakelar mikro dapat digunakan untuk mengontrol lampu, saat tombol ditekan, lampu akan menyala atau mati. Ini juga dapat digunakan untuk mengontrol sakelar peralatan listrik, AC, dll. Di bidang industri, sakelar tombol tekan banyak digunakan untuk mengontrol awal dan penghentian peralatan mekanik. Apakah itu adalah peralatan rumah tangga, industri, otomotif atau elektronik, tidak dapat dipisahkan dari komponen kontrol sederhana ini.
| Beralih Karakteristik Teknis: | |||
| BARANG | Parameter teknis | Nilai | |
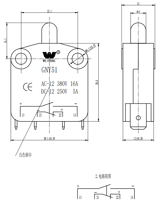
| 1 | Peringkat listrik | 16a 250vac | |
| 2 | Kontak Resistance | ≤50mΩ nilai awal | |
| 3 | Resistensi isolasi | ≥100mΩ (500VDC) | |
| 4 |
Dielektrik Voltase |
Di antara terminal yang tidak terhubung |
500V/0.5mA/60s |
| Antara terminal dan bingkai logam |
1500V/0.5mA/60s | ||
| 5 | Kehidupan listrik | ≥50000 siklus | |
| 6 | Kehidupan Mekanik | ≥100000 siklus | |
| 7 | Suhu operasi | -25 ~ 125 ℃ | |
| 8 | Frekuensi operasi | Listrik: 15 siklus Mekanik: 60 siklus |
|
| 9 | Bukti Getaran | Frekuensi Getaran: 10 ~ 55Hz; Amplitudo: 1.5mm; Tiga arah: 1H |
|
| 10 | Kemampuan Solder: Lebih dari 80% bagian terbenam harus ditutupi dengan solder |
Suhu Solder: 235 ± 5 ℃ Waktu merendam: 2 ~ 3s |
|
| 11 | Resistensi panas solder | Dip Soldering: 260 ± 5 ℃ 5 ± 1s Solder Manual: 300 ± 5 ℃ 2 ~ 3S |
|
| 12 | Persetujuan Keselamatan | Ul 、 csa 、 tuv 、 cqc 、 ce | |
| 13 | Kondisi pengujian | Suhu sekitar: 20 ± 5 ℃ Kelembaban relatif: 65 ± 5%RH Tekanan Udara: 86 ~ 106kpa |
|
Produk Detail


