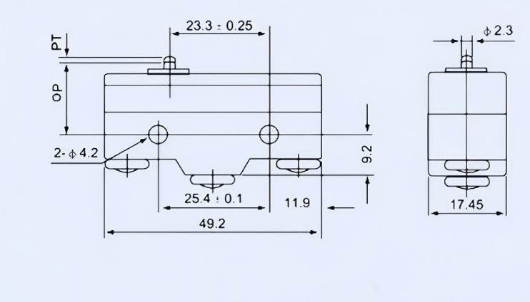
Sakelar mikro Batas Tekanan Sendiri adalah komponen kontrol otomatis yang dipicu oleh gerakan mekanis. Fungsi intinya adalah untuk mendeteksi perpindahan atau stroke objek untuk mencapai pembukaan dan penutupan sirkuit, start dan berhenti peralatan, atau membatasi perlindungan. Ini adalah 'sentinel keselamatan' dan 'komandan aksi' yang sangat diperlukan dalam otomatisasi industri dan peralatan elektromekanis.
Mengalihkan Perkenalanuction
Sakelar perjalanan (juga dikenal sebagai sakelar batas) adalah komponen kontrol otomatis yang dipicu oleh gerakan mekanis. Fungsi intinya adalah untuk mendeteksi perpindahan atau stroke objek untuk mencapai pembukaan dan penutupan sirkuit, start dan berhenti peralatan, atau membatasi perlindungan. Ini adalah 'sentinel keselamatan' dan 'komandan aksi' yang sangat diperlukan dalam otomatisasi industri dan peralatan elektromekanis.
Mengalihkan Application
Mekanisme pengangkat platform pemotongan dari pemanen kombinasi dilengkapi dengan sakelar perjalanan yang menetapkan "tinggi kerja minimum" dan "tinggi transportasi" dari platform pemotongan. Selama pemanenan, jika platform pemotongan turun terlalu rendah (dekat dengan tanah, mungkin mengikis tanah), sakelar dipicu untuk mengontrol sistem hidrolik untuk menaikkan platform pemotongan; Selama transportasi, ketika platform pemotongan naik ke posisi tertinggi, sakelar dipicu untuk mengunci tinggi platform pemotongan, mencegah guncangan selama mengemudi. Dalam kotak benih seeder, sakelar perjalanan mendeteksi tingkat benih. Ketika biji akan habis, sakelar memicu perangkat alarm untuk mengingatkan operator agar menambahkan benih, mencegah penaburan yang terlewat.
Mengalihkan Detail
