Weipeng® telah memantapkan dirinya sebagai sakelar kecil tingkat atas untuk produsen dan pemasok peralatan rumah tangga di Cina, memberikan solusi sakelar mikro yang berkualitas selama bertahun-tahun. Anda dapat yakin untuk membeli sakelar mikro khusus dari kami.
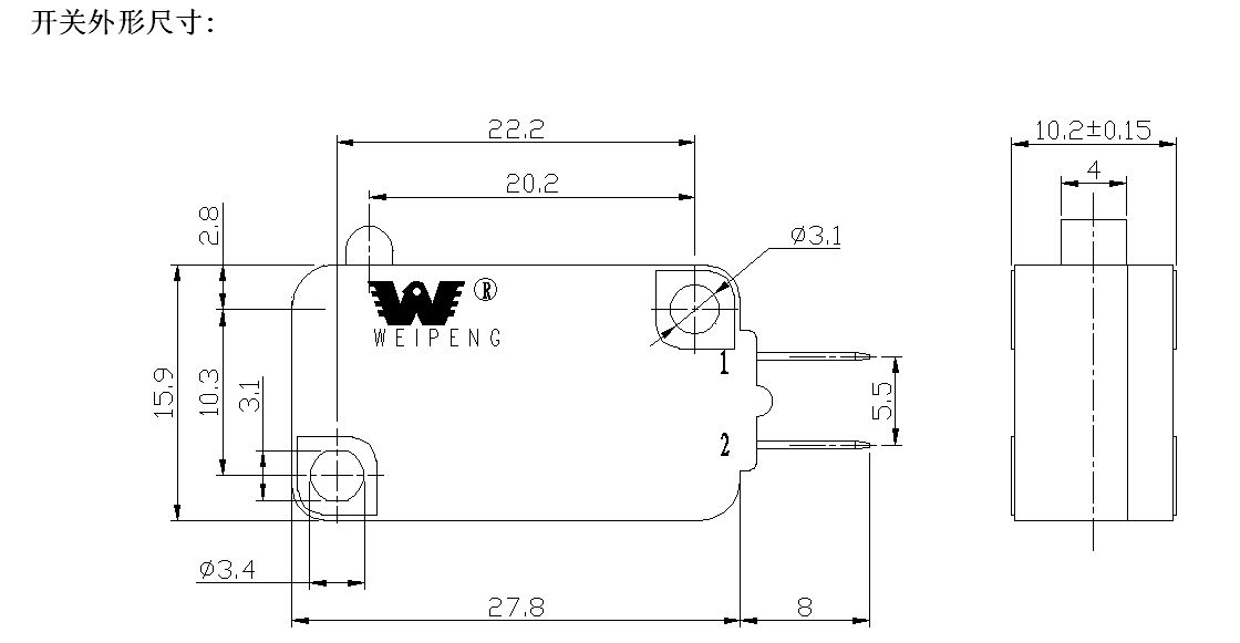
PENDAHULUAN PRODUK
Parameter Produk (Spesifikasi)
| Beralih Karakteristik Teknis: | |||
| BARANG | Parameter teknis | Nilai | |
| 1 | Peringkat listrik | 3A 250VAC | |
| 2 | Kontak Resistance | ≤50mΩ nilai awal | |
| 3 | Resistensi isolasi | ≥100mΩ (500VDC) | |
| 4 |
Dielektrik Voltase |
Di antara terminal yang tidak terhubung |
500V/0.5mA/60s |
| Antara terminal dan bingkai logam |
1500V/0.5mA/60s | ||
| 5 | Kehidupan listrik | ≥10000 siklus | |
| 6 | Kehidupan Mekanik | ≥100000 siklus | |
| 7 | Suhu operasi | 0 ~ 105 ℃ | |
| 8 | Frekuensi operasi | Listrik: 15 siklus Mekanik: 60 siklus |
|
| 9 | Bukti Getaran | Frekuensi Getaran: 10 ~ 55Hz; Amplitudo: 1.5mm; Tiga arah: 1H |
|
| 10 | Kemampuan Solder: Lebih dari 80% bagian terbenam harus ditutupi dengan solder |
Suhu Solder: 235 ± 5 ℃ Waktu merendam: 2 ~ 3s |
|
| 11 | Resistensi panas solder | Dip Soldering: 260 ± 5 ℃ 5 ± 1s Solder Manual: 300 ± 5 ℃ 2 ~ 3S |
|
| 12 | Persetujuan Keselamatan | Ul 、 csa 、 vde 、 enec 、 tuv 、 ce 、 kc 、 cqc | |
| 13 | Kondisi pengujian | Suhu sekitar: 20 ± 5 ℃ Kelembaban relatif: 65 ± 5%RH Tekanan Udara: 86 ~ 106kpa |
|
Fitur dan Aplikasi Produk
Detail Produk


