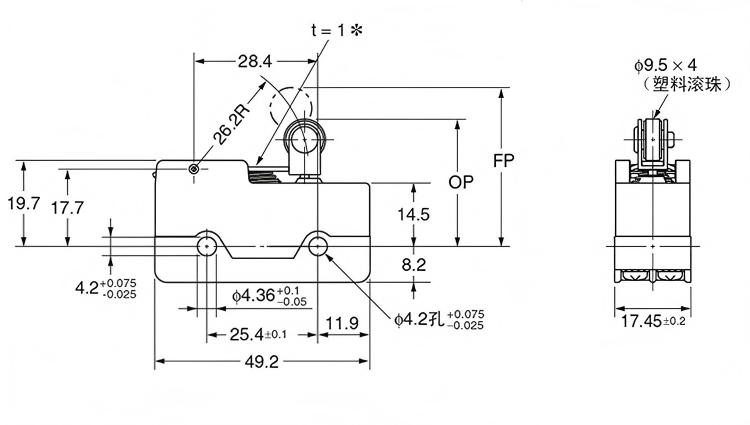
Sakelar Perjalanan Batas Dual-Tiang Independen adalah komponen kontrol otomatis yang dipicu oleh gerakan mekanis. Fungsi intinya adalah untuk mendeteksi perpindahan atau stroke objek untuk mencapai pembukaan dan penutupan sirkuit, start dan berhenti peralatan, atau membatasi perlindungan. Ini adalah 'sentinel keselamatan' dan 'komandan aksi' yang sangat diperlukan dalam otomatisasi industri dan peralatan elektromekanis.
Mengalihkan Perkenalanuction
Sakelar perjalanan (juga dikenal sebagai sakelar batas) adalah komponen kontrol otomatis yang dipicu oleh gerakan mekanis. Fungsi intinya adalah untuk mendeteksi perpindahan atau stroke objek untuk mencapai pembukaan dan penutupan sirkuit, start dan berhenti peralatan, atau membatasi perlindungan. Ini adalah 'sentinel keselamatan' dan 'komandan aksi' yang sangat diperlukan dalam otomatisasi industri dan peralatan elektromekanis.
Mengalihkan Application
Aplikasi dalam peralatan rumah tangga dan rumah pintar:
Mesin cuci:Sakelar batas dipasang di pintu mesin cuci pemuatan depan. Alat hanya akan dimulai ketika pintu benar -benar tertutup dan sakelar mengaktifkan sirkuit, yang mencegah kebocoran air atau pakaian dibuang selama operasi.
Kulkas/Oven:Ketika pintu kulkas ditutup, sakelar memicu untuk mematikan lampu interior. Sebaliknya, jika pintu oven tidak ditutup dengan aman, sakelar akan memotong daya ke elemen pemanas untuk mencegah kebocoran panas.
Mengalihkan Detail
